- Home
- Products
- Components to complement a measuring point
- HAW562 / HAW569
-
- Field housing version
-
Application in Ex areas
-
High functional security (SIL2)
Specs at a glance
Design DIN rail mountable housing, field housing (HAW569) Approval ATEX II 2 (1) G Signal Power supply 24 V DC/AC, 230 V AC, current 0/4 to 20 mA, PROFIBUS PA, RS485, PROFIBUS DP
Overvoltage protection HAW562 : DIN rail version
Product / Version Price / pcs. in EUR Order code Approval Application 1 to 3 4 to 10 11+ Non-hazardous area Measuring signal 0/4-20mA, PFM,PA,FF 91,- 85,- 80,- HAW562-AAA Supply voltage 10-55V 48,- 45,- 42,- HAW562-AAB Supply voltage 90-230V 48,- 45,- 42,- HAW562-AAC Communication RS485, Modbus PROFIBUS DP 107,- 99,- 94,- HAW562-AAD Protection module Prosonic FMU90 109,- 101,- 96,- HAW562-AAE ATEX/IECEx II2(1)G Ex ia[ia Ga]IIC T6 Gb Measuring signal 0/4-20mA, PFM,PA,FF 103,- 95,- 90,- HAW562-8DA Overvoltage protection for installation on a field housing HAW569
Product / Version Price / pcs. in EUR Order code Approval Housing Version 1 to 3 4 to 10 11+ Non-hazardous area Lead through version M20 Measurement signal 126,- 118,- 111,- HAW569-AA2B ATEX/IECEx II2(1)G Ex ia[ia Ga]IIC T6 G Lead through version M20 Measurement signal 138,- 128,- 121,- HAW569-DA2B ATEX/IECEx II2G Gb Ex d IIC T6 + CSA C/US XP, DIP I,II,III/1+2/A-G Screw in version cable gland M20 Measurement signal+power(0-66V+80-230V) 158,- 147,- 139,- HAW569-CB2C Accessories
Product / Version Price / pcs. in EUR Order code Earthing ring-set HAW569 M20 for sensors with non conductive housing earthing ring, lock nut, flat plug 13,52 51006420 Protective housing for surge arresters with build in top hat rail, earth lug GORE-TEX membrane, 2 sealable screws and 4 plastic cable glands M20; aluminium diecast housing, 100x160mm, epoxy powder coating, IP66/NEMA 4X. 87,98 51003750 Mounting bracket for wall-/pipe mount. of protective housing surge arresters, pipe diameter 25-140mm 43,98 51003773 Prices valid until 31.12.2019 in EUR per unit (not including shipping and applicable sales tax). See
Endress+Hauser Terms and ConditionsPeople who bought this also watched
-
Application
The surge arrester is used for limiting high voltages in signal cables of 0/4 to 20 mA, PROFIBUS PA and PFM signal, for limiting high voltages in bus systems like PROFIBUS DP and RS485, in ultrasonic sensors and low voltage instrumentation supply cables.
Function
Protection of supply to instrumentation, signal cables and components from overvoltage surges – created by lightning strikes or switch sequences for example.
Operation of power supply protection units: Using the impedance-free connection of the protection unit interference voltage drops cannot be introduced on the power lines.
Operation of signal cable protection units: protection steps within the unit guarantee high compatibility with the system to be protected.
Application example
a) Capacity
b) Linearization
c) Level
-
Technical data HAW562
HAW562-AAA HAW562-AAB HAW562-AAC HAW562-AAD HAW562-AAE HAW562-8DA Supply voltage Nominal voltage 24 V 60 V 230 V 5 V 12 V DC1)
80 V DC2)24 V Max. continuous voltage 33 V DC
23.3 V AC75 V 255 V 6 V DC
4.2 V AC15 V DC1)
180 V DC2)33 V DC
23.3 V ACCurrent consumption Nominal current [IL] 1.0 A 25 A 25 A 1.0 A 0.45 A1)
3 A2)500 mA at
Tamb = 80 °C (176 °F)C2 nominal discharge current [In] (8/20) per line 10 kA 2 kA 3 kA 10 kA 10 kA 5 kA C2 nominal discharge current [In] (8/20) total 20 kA 4 kA 5 kA 20 kA 20 kA 10 kA D1 lightning surge current [Iimp] (10/350) per line 2.5 kA - - 2.5 kA 2.5 kA 1 kA D1 lightning surge current [Iimp] (10/350) total
9 kA - - 9 kA 7.5 kA 2 kA Voltage protection level Line/line ≤52 V at Iimp L-N: ≤400 V L-N: ≤1250 V ≤25 V - ≤52 V Line/PG ≤550 V at Iimp L/N-PE:
≤730 VL/N-PE:
≤1500 V≤550 V ≤600 V ≤1400 V Response times Line/line L-N: ≤25 ns L-N: ≤25 ns - ≤1 ns ≤1 ns Line/PG - L/N-PE:
≤100 nsL/N-PE:
≤100 ns- ≤100 ns ≤100 ns Capacitance Line/line ≤1,0 nF - - ≤25 pF - ≤0.8 nF Line/PG ≤25 pF - - ≤25 pF - ≤16 pF General SPD class Type 1 P1 Type 3 P3 Type 3 P3 Type 1 P1 Type 1 P1 Type 1 P1 Limit frequency 7.8 MHz - - 100 MHz 2 MHz1)
15 MHz2)7.7 MHz (50 Ω)
3.2 MHz (100 Ω)Series impedance per line 1.0 Ω - - 1.0 Ω 1.8 Ω1)
directly connected3)1.0 Ω Maximum line side overcurrent protection - 25 A gL/gG
or B 25 A25 A gL/gG
or B 25 A- - -
1) Terminal 4
2) Terminal 2
3) Terminal 1+2Technical data HAW569
HAW569-AA2B HAW569-DA2B HAW569-CB2C Supply voltage Nominal voltage 24 V 24 V 24 V Signal
120 V / 230 V Power supplyMaximum continuous voltage 24.5 V AC
34.8 V DC24.5 V AC
34.8 V DC22.6 V AC Signal
255 V AC Power supply;
32 V DC Signal
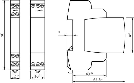
255 V DC Power supplyCurrent consumption Nominal current [IL] 0.5 A 0.5 A 0.55 A at 80 °C (176 °F) C2 nominal discharge current [In] (8/20) per line 10 kA 5 kA - C2 nominal discharge current [In] (8/20) total 10 kA 10 kA 10 kA C2 nominal discharge current [In] (8/20) shielding – PG 20 kA - - Nominal discharge current (8/20) L–N [In] - - 3 kA Total discharge current (8/20) L+N–PE [Itotal] - - 5 kA D1 lightning surge current [Iimp] (10/350) line – PG - - 1 kA D1 lightning surge current [Iimp] (10/350) total - - - Voltage protection level Line/line at In C2 ≤65 V ≤55 V ≤58 V Line/PG at In C2 ≤650 V ≤1100 V ≤900 V Shielding/PG at In C2 ≤650 V - - Line/line at 1 kV/μs C3 ≤50 V ≤49 V ≤50 V Line/PG at 1 kV/μs C3 ≤500 V ≤1000 V ≤850 V Line/line at 1 kV/μs C3 ≤600 V - - L–N - - ≤1.4 kV L/N–PE - - ≤1.5 kV Capacitance Line/line ≤400 pF ≤850 pF ≤25 pF Line/PG ≤20 pF ≤15 pF ≤15 pF General SPD class Type 2 P1 Type 2 P1 Type 2 P2 Limit frequency 14 MHz 7 MHz - Series impedance per line 2.2 Ω 1.8 Ω - Maximum line side overcurrent protection - - 16 A gL/gG or B 16 A Dimensions (in mm)
HAW562
1) HAW562-AAA, -AAD, -AAE, -8DA
2) HAW562-AAB, -AAC
3) HAW562-AAB, -AAC: +0.5 mm
Installation according to operation instructions
HAW569-AA2B, -DA2B (lead-through version)
Installation according to operation instructions
HAW569-CB2C (screw-in version)
Installation according to operation instructions
Electrical connection HAW562
HAW562-AAA, -AAD, -8DA
a) protected
HAW562-AAB, -AAC
a) protected
HAW562-AAE
a) protected
Electrical connection HAW569
HAW569-AA2B (non-Ex lead-through version)
a) protected
b) Shield
HAW569-DA2B (Ex ia lead-through version)
a) protected
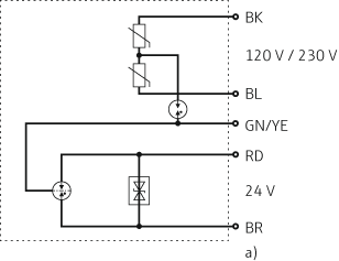
HAW569-CB2C (Ex d screw-in version)
a) protected
-
More documents for HAW562More documents for HAW569
-
Protective housing With integrated DIN rail for mounting up to four HAW56x units Integrated DIN top hat rail ground connection GORE-TEX® filter 2 lead seal screws and 4 plastic cable glands M20 × 1.5 material: Pressure die cast aluminium, epoxy coated, ingress protection to IP 66/NEMA 4x Dimensions (in mm)
